El KA2284 es un circuito integrado que dispone de una columna de 5 LEDs cuya corriente podemos ajustar mediante una resistencia (R). Dispone en la entrada de un amplificador operacional que amplifica y rectifica la señal para aportar finalmente la tensión requerida a la columna de LEDs para iluminarlos, encendiéndolos bajo una indicación logarítmica de 5 puntos (-10, -5, 0, 3 y 6dB). Se alimenta dentro de un rango de tensión entre 3,5 y 16 V. Fue diseñado para usarlo como vúmetro, pero aquí le daremos también otros usos muy interesantes simplemente usando unos pequeños trucos.
Está encapsulado en 9-SIP, tiene nueva patillas dispuestas una detrás de otra:
Se vende un módulo ya montado a precio de risa con el KA2284, donde se incluyen los LEDs y los componentes necesarios para usarlo directamente como vúmetro.
En mi caso, el vúmetro va asociado a un micrófono Electret, previamente amplificado con un transistor.
SONÓMETRO
En la imagen siguiente vemos el circuito montado en un panel de ensayo:
Mediante la resistencia variable ajustamos la sensibilidad del sonómetro.
Si cortocircuitamos mediante una soldadura los electrodos de C2,
o ponemos el puente que en la placa se dispone para cortocircuitar el mismo condensador, podemos usarlo con corriente continua; por ejemplo, para medir la intensidad de luz usando una LDR o medir la tensión de carga de una batería.
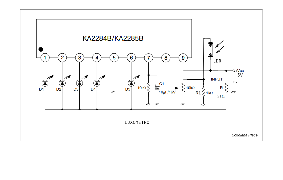
LUXÓMETRO
Aunque la placa dispone de una resistencia R de 51Ω, está dentro del rango para ser utilizada con una tensión máxima de 12V:
La sensibilidad también se ajusta mediante la resistencia variable de 10K.
VOLTÍMETRO
Sencillamente, añadiendo una resistencia en serie con la resistencia ajustable, podemos medir la tensión sobre una batería, por ejemplo. Así, en nuestro caso, la tensión máxima sería de 14V, y aquí sí, tendríamos que cambiar R por el valor de 100Ω y extraer los LEDs rojo y amarillo para intercambiarlos por los dos verdes tal como se muestra en el esquema. La razón de esto es que aquí, cuando la batería se agota, indica en amarillo y rojo su valor más bajo. También, sería interesante extraer los Leds y ponerlos hacia el lado contrario de la placa para poder así agujerear una caja y mostrar los mismos más fácilmente.











No hay comentarios:
Publicar un comentario